Kleiner Wechselstrommotor Lieferanten

  • 400W -Serie
  • 400W -Serie
  • 400W -Serie
  • 400W -Serie
Kleiner Wechselstrommotor

400W -Serie

Motorleistung: 400 W (1/2 PS) horizontal oder vertikal installieren

Phase: Einphase / drei Phase

Zahnradverhältnis: 3-1800K

Motorauswahl: 3 Phasenmotor 220V-240V/380V-415V, 50 Hz/60 Hz; 1 Phasenmotor, 220 V, 50 Hz/60 Hz; 1 Phasenmotor, 110 V, 50 Hz / 60 Hz

Ausgangswellendurchmesser: φ22mm φ28mm φ32mm φ40 mm

  • 400W -Serie
  • 400W -Serie
  • 400W -Serie
  • 400W -Serie
ANWENDUNG BEREICH
Wir sind ein Hightech-Unternehmen, das sich auf die Herstellung und den Vertrieb von AC-Untersetzungsmotoren, kleinen Untersetzungsmotoren, servospezifischen Planetengetrieben, bürstenlosen und bürstenlosen DC-Motoren und anderen Produkten spezialisiert hat.
  • Logistiksortierung

  • Automatisierte Roboter

  • Laserschnitt

  • Zugangskontrolltor

  • Photovoltaik -Kraftwerk

  • Medizinprodukte

  • Agv

Produktbeschreibung

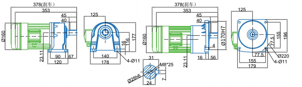
CH22/CV22-400W- (Standardbox 1: 3 ~ 10 Verhältnis) (reduziertes Kasten 1: 15 ~ 90 Verhältnis) Größendiagramm

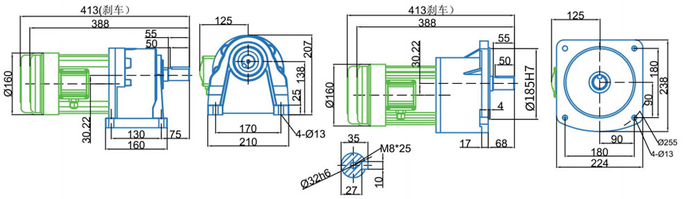
CH32/CV32-400W (1: 210 oder höheres Verhältnis) Diagramm

CH28/CV28-400W - (Standardkasten 1: 15 ~ 90 Verhältnis) (reduziertes Kasten 1: 100 ~ 200 Verhältnis) Dimensionale Zeichnung

CH40/CV40-400W (1: 210 oder höher) Größendiagramm

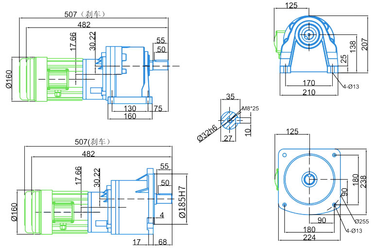
CH32/CV32-400W - (Standardbox 1: 100 ~ 200 Verhältnis) Dimensionale Zeichnung

Parameter für elektrische Maschinen

Parameter für elektrische Maschinen

Macht (KW)

Typ

Spannung (v)

Frequenz (Hz)

Bewertungsstrom (a)

Bewertungsgeschwindigkeit (RMP)

Kondensatoren (μf)

Isolationsklassifizierung

Schutzsystem

0,4 kW

1/2 PS

Einzelphasen

220 V

50 Hz

1.1a

1420rmp

16 μf 、 100 μf

F

IP54

Dreiphasen

220 V/380 V

50 Hz

2.1a/1,2a

1420rmp

/

400W- (1: 3-1800 digitales Verhältnis) Drehmomenttabelle

Gera -Verhältnis

3

5

10

15

20

25

30

40

50

60

70

80

90

100

120

140

160

180

200

300

1200

1800

Ausgabe R.P.M.

50 Hz

500

300

150

100

75

60

50

37

30

25

21.4

18.8

16.7

15

12.5

10.7

9.4

8.4

7.5

5

1.25

0.83

60 Hz

600

360

180

120

90

72

60

45

36

30

25.7

22.5

20

18

15

12.9

11.3

10

9

6

1.5

1

Ausgangsdrehmoment kg/m

50 Hz

0.7

1.2

2.4

3.6

4.8

6

7.2

9.3

11.6

13.9

16.2

18.4

20.7

23

27.7

32

36

40.8

43.2

70.2

70.2

70.2

60 Hz

0.6

1

2

3

4

5

6

7.8

9.7

11.6

13.5

15.4

17.3

19.2

23.1

26.7

30.3

34

36

56.7

56.7

56.7

Die Geschwindigkeit in der Tabelle wird basierend auf der Nenndrehzahl des Motors bei 50 Hz/60 Hz, 1420r.min/1732R.Min berechnet

Die tatsächliche Geschwindigkeit variiert geringfügig mit der Größe der Last mit einem Variationsbereich von etwa ± 5%.

+ Verstehen Sie detaillierte Produktparameter
Kontaktieren Sie uns
  • Upload

Über uns
Zhejiang Saiya Intelligent Manufacturing Co., Ltd.
Zhejiang Saiya Intelligent Manufacturing Co., Ltd. Gegründet im Jahr 2009, mit 15 Jahren Branchenerfahrung, ist es ein High-Tech-Unternehmen, das sich auf die Produktion und den Vertrieb von Mikro-AC-Getriebemotoren, kleinen AC-Getriebemotoren, Bürsten-DC-Getriebemotoren, bürstenlosen BLDC-DC-Getriebemotoren, Präzisions-Planetengetrieben und Motorrollen usw. spezialisiert hat. Wir sind China Großhandel 400W -Serie Lieferanten Und OEM/ODM 400W -Serie Hersteller, Saiya-Motoren und -Getriebe finden breite Anwendung in Industrierobotern, intelligenter Logistik, Maschinen für neue Energien, AGV-Robotern und anderen fortschrittlichen Bereichen. Darüber hinaus spielen sie eine wichtige Rolle in der Lebensmittelverarbeitung, Verpackung, Textilindustrie, Elektronik, Medizintechnik und Spezialmaschinen und bieten kostengünstige und differenzierte Lösungen für verschiedene Branchen. Um unsere Vorteile in Bezug auf Differenzierung und Kosteneffizienz weiter auszubauen, verfügen wir über unsere eigene Handelsgesellschaft, die Hangzhou Saiya Transmission Equipment Co., LTD. mit Sitz in Hangzhou, Zhejiang, in der Nähe der Häfen von Shanghai und Ningbo. Sie wickelt das Inlands- und Auslandsgeschäft ab und gewährleistet durch Direktvertrieb und -vertrieb den weltweiten Vertrieb und Kundensupport. So bieten wir allen unseren Kunden hochwertige, wirtschaftliche und zuverlässige Lösungen.

Unternehmenskultur

Authentisch Zuverlässig
Qualität fällt natürlich auf.

Grundwerte: Sich selbst weiterentwickeln und für andere sorgen.

Vision:Werden Sie Service-Experte im Bereich intelligente Getriebe.

Unsere Mission:Bieten Sie hochwertige Dienstleistungen an und schaffen Sie Mehrwert für Ihre Kunden.

Servicephilosophie:Streben nach materiellem und spirituellem Glück für alle Mitarbeiter und Beitrag zum Fortschritt und zur Entwicklung der menschlichen Gesellschaft.

  • 2009

    Gründung
  • 80+

    Personal
  • 5+

    Produktionslinie
Nachricht